Profil aluminiowy 30x30, KA-3030 1 m + cięcie na wymiar
Kod: KA-3030
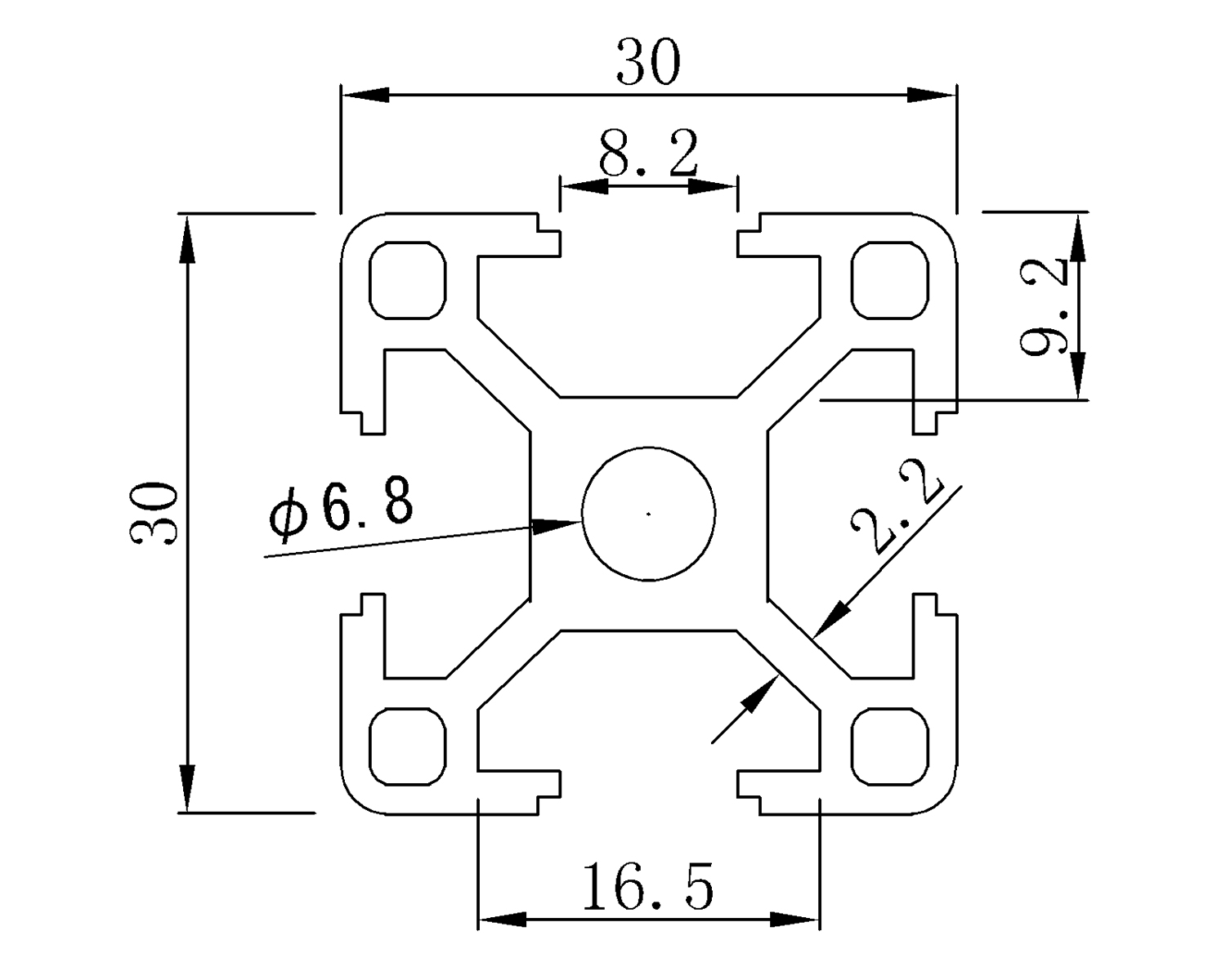
Profil aluminiowy o wymiarach 30 x 30 mm. Cena podana jest za 1 m. Maksymalna długość jednego profilu wynosi 4 m. pełny opis i parametry
Opis i parametry techniczne
Profil aluminiowy 30x30, KA-3030 1 m + cięcie na wymiar
Profil aluminiowy o wymiarach 30 x 30 mm. Cena podana jest za 1 m. Maksymalna długość jednego profilu wynosi 4 m.
Profile umożliwiają łatwy montaż i łączenie z innymi elementami. Profile aluminiowe dzięki swojej lekkości są łatwe w obsłudze. Są odporne na korozję i wpływy zewnętrzne. Idealny do zastosowań przemysłowych, linii produkcyjnych i logistyki. Waga profilu 0,9 kg/m. Długość 4000 mm.
Cena podana jest za 1 m. Maksymalna długość jednego profilu wynosi 4 m.
| Całkowita wysokość: | 30 mm |
|---|---|
| Szerokość: | 30 mm |
| Gwarancja (lata): | 2 |